SeccoMix1-E32D

SeccoMix1-E32D
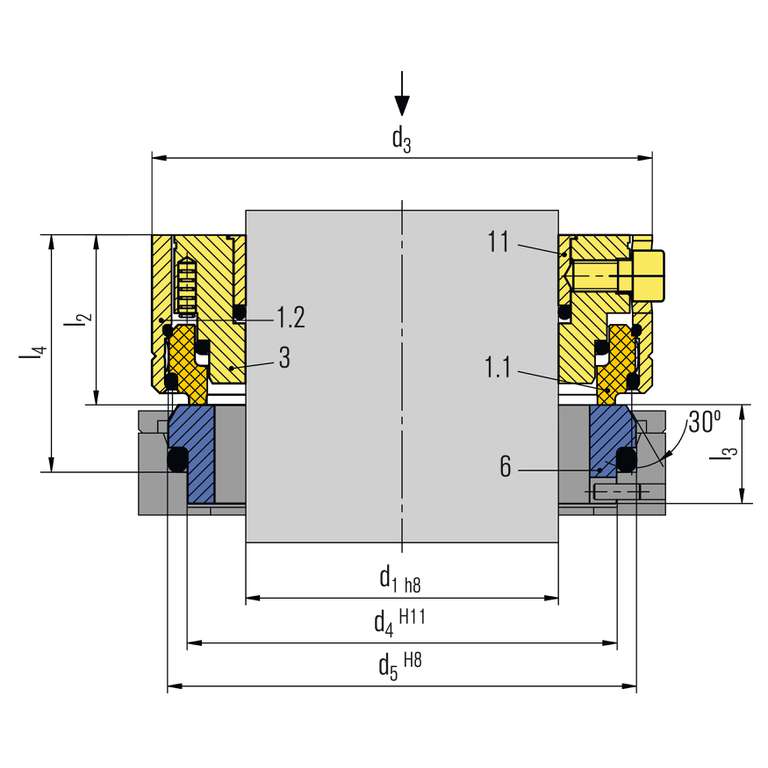
1.1, 1.2 Seal face with face housing
3 Drive collar
6 Seat
11 Clamping ring

SeccoMix1-E32D

Features

  • Retrofit for JC Type 32
  • Dry-running single seal
  • For top entry drives, on request side drive possible
  • Balanced
  • Outbound
  • Multiple springs rotating
  • Independent of direction of rotation
  • Available in metric and imperial sizes

Advantages

  • Available as semi-cartridge
  • No supply system required
  • No product contamination with barrier fluid
  • Low wear due to optimized seal face load
  • Suitable for vacuum operation
  • Friction-locked connection to the shaft
  • ATEX certification available on request
  • Inherently safe, even without temperature monitoring

Operating range

Shaft diameter (SI): d1 = 40 ... 80 mm
Shaft diameter (Imperial): d1 = 1.000“ … 2.000“
Pressure: p1 = vacuum ... 6 bar (87 PSI)
Temperature: -20 °C ... +200 (250*) °C
(-4 °F ... +392 (482*) °F)
Sliding velocity: vg = 0 ... 2 m/s (0 ... 6 ft/s)
Axial movement: ±1,5 mm
Radial movement: ±1,5 mm
* with cooling flange

Applications outside of this area of use are available on request.
! It should be noted that the extremal values of each operating parameter cannot be applied at the same time because of their interaction.

Materials

Seal face: Carbon graphite, FDA compliant
Seat: Silicon carbide
Secondary seals and metal parts according to application and customer's specifications.

Similar products

AD510 / AD520

  • Dry running
  • Single seal
  • Independent of direction of rotation

SeccoLip461

  • For top entry drives, on request for side and bottom entry drives
  • For glass-lined vessels
  • Dry-running
  • Modular and flexible design
  • Compensation of shaft deflection by patented technology
  • Independent of direction of rotation
  • Cartridge unit

SeccoLip481

  • For top entry drive;
    side drive also available on request
  • For stainless steel vessels
  • Dry-running
  • Modular and flexible design
  • Compensation of shaft deflection by patented technology
  • Independent of direction of rotation
  • Cartridge unit
  • Variant available for applications with product contact (SeccoLipR)
Contact

Inquire about individual solutions

We develop and produce customer-specific special and individual solutions for every application.

Inquire now Discover reference projects
Back to the overview